
伺服電機配減速機選型注意事項
在減速機的選型過程中,我們需要特別注意的是以下幾個參數的選擇與計算:
A、減速機輸出軸扭矩的計算;
B、傳動機構的最大速度的計算;
C、傳動機構的安裝方式的選擇;
D、減速機傳動精度的選擇;
F、減速機接口的配置;
接下來就從以上幾個方面來詳細的介紹一下,減速機過程中的選擇依據和方法。
一、減速機輸出軸扭矩的計算
減速機的輸出扭矩,即是我們對傳動機構計算得出的需求扭矩,你選擇減速機的目的就是希望:
電機額定扭矩最小化(也即成本最小化)+減速機(增大扭矩)=得到一個較大的扭矩輸出。
其實,減速機在機械結構中的應用好處有很多,例如增大扭矩,減小慣量,減小傳動機構對伺服電機的沖擊,自鎖傳動機構等等。
當然,其核心價值所在,還是增大扭矩。所以當你確認你的傳動機構所需要的扭矩后,然后再對比一下你選定的伺服電機的扭矩,然后這兩個扭矩的比值就是你要選擇的減速機扭矩的減速比,當然我們通常會讓機構的最終扭矩有一定的冗余,所以傳動比要選得稍微大一點。
所以這個過程中,有兩個參數非常重要,即你需要的最終扭矩和伺服電機的額定扭矩,只有知道了這兩個參數,你才能確認你選擇的減速電機的減速比。
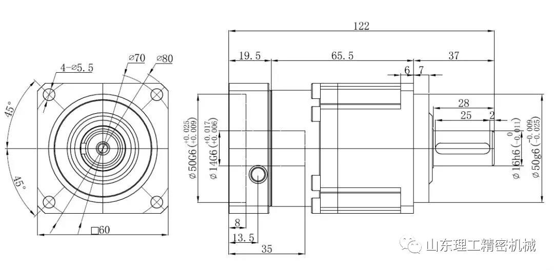
例如上圖的樣本中,減速機的型號為:AB042-單節,我們在選擇的時候,需要注意幾個地方,第一就是看減速機的外形,例如上式中的042,其實外形尺寸為42*42mm,這個時候注意去和你的伺服電機的外形做比較,通常我們選擇外形相當的減速機就可以了。
二、傳動機構最大速度的計算
對于傳動機構的最大速度,機械設計工程師一定是需要自行確認的,因為這個參數牽涉到減速機的減速比的選擇,在我們選擇減速比的時候,并不是說能夠無限的增大減速比的,因為減速比越大,雖然扭矩會越大,但是同時也意味著輸出轉速會降低,這也就導致了整個傳動機構的運行速度降低。
所以在扭矩和轉速之間,我們需要去做一個平衡,在滿足機械機構的傳動速度的前提下,盡量增加減速比來提升傳動扭矩,這才是合理的選擇。
當然,一個傳動機構,其傳動速度并不完全決定在減速機上,伺服電機的轉速,傳動絲桿的螺距,齒輪的大小等等都是決定因素,所以我們在做結構設計的時候,需要綜合的去考慮,但是減速比的大小也是一個決定因素,是需要我們去注意的。
三、傳動機構安裝方式的選擇
對于減速機的選擇,除了上述的參數選擇,還要對減速機的類型和安裝方式進行選擇,例如你選擇的減速機是行星減速機,還是蝸輪蝸桿減速機,是同軸直聯式,還是90度垂直安裝等等。
特別是對于蝸輪蝸桿減速機的選擇,有其特定的應用場景,例如要求整個運動機構具備自鎖功能,我們很多時候都有這樣的設計需求,例如傳動機構是垂直安裝的時候,為了避免機構在電機斷電后下墜,通常我們選擇蝸輪蝸桿式的減速機。
當然很多人會抬杠說可以選擇帶抱閘的伺服電機,其實理論上是可以的,而且通常垂直方向的伺服電機我們都會選擇抱閘電機,但是我們在實際的應用中會發現,伺服電機在通電的瞬間很多機構會出現微量下墜的現象,如果這個時候你選擇的是蝸輪蝸桿的減速機,那就可以很好的避免這樣的現象,因為蝸輪蝸桿的減速機是帶自鎖功能的。
當然這個自鎖是有前提的,傳動比要大于一定的比值,蝸輪蝸桿的減速機才能真正起到自鎖的作用,減速比太小依然是不可靠的,最好要超過30,在使用的時候可以和減速機廠家好好的溝通一下,他們有相關參數的。
所以選擇什么樣的型號的安裝方式也很重要,并不是隨心所欲的去做選擇的。
四、減速機傳動精度的選擇
減速機的傳動精度,這完全取決于你設計的傳動機構的精度要求,只要按你的功能進行相應的參數匹配就可以了,當然這可是實打實的成本,精度越高,成本越高,而且很多時候高到你無法接受,特別是一些好的品牌,玩不起啊。
在上圖中,傳動精度有特別的標注,你只需要按其解釋的精度選擇即可,如果不滿足的話就換型號,如果還不滿足的話,那就換品牌。
五、減速機接口的配置
在選擇減速機的過程中,有兩個減速機的接口是需要我們通過圖紙來明確的。
同時還要求減速機結構形式,外型尺寸既能滿足設備要求,同時能與所選用的伺服電機連接。

例如這樣一個圖紙,第一個接口是減速機與伺服電機的接口,這個通常是需要定制的,減速機生產廠家會根據客戶選擇的伺服電機的接口來定制減速機的接口,所以在和減速機供應商溝通的時候,你需要提供伺服電機的接口給他們。
第二是減速機的輸出接口,通常來說,這個接口我們都是按減速機供應商的標準來選擇,除非你有特殊要求。
因為所有的定制都是要花成本的,所以在你做設計的時候,一定要結合成本來考慮,盡量選擇供應商的標準品來采購,除非是逼不得已。
